Selecting a Distributed Air-Gap Powder Core for Flyback Transformers
Introduction
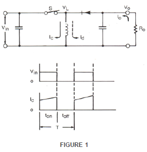
Flyback converters are based on the storage of energy in an inductor during the “on” charging time period ton, and discharge of this energy to the load during the “off” time period, t off , as shown in Figure 1. The operation is unipolar and utilizes the first quadrant of the B-H curve of a magnetic core (Figure 2). The usable flux density is ΔB. The ideal core material should have a maximum available ΔB and low core losses (proportional to the shaded area).


For flyback transformers, Magnetics offers:
(a) Seven different materials in toroidal Powder Cores that have distributed air gaps
(b) Gapped Ferrites
Gapped ferrites have relatively high losses associated with the discrete air gap, although the material losses are low. Powder cores are made of tiny insulated particles; hence the air gaps are distributed evenly throughout the core structure. The total core losses (air gap plus particle losses) of the three powder core materials are usually much lower than those for gapped ferrites.
Product details are found in the Magnetics Powder Core catalog.
Materials Comparison Chart
| MPP | High Flux | Kool Mµ® | XFLUX® | Kool Mµ® MAX | Kool Mµ® Hƒ | Edge® | |
|---|---|---|---|---|---|---|---|
| Permeability | 14-550 | 14-160 | 14-125 | 19-125 | 14-90 | 26-60 | 14-125 |
| Core Loss | Very Low | Moderate | Low | High | Low | Lowest | Very Low |
| Perm vs. DC Bias | Good | Better | Good | Better | Good | Good | Best |
| Temperature Stability | Very Good | Very Good | Very Good | Good | Very Good | Very Good | Best |
| Nickel Content | 81% | 50% | 0% | 0% | 0% | 0% | 50% |
| Relative Cost | Highest | High | Lowest | Low | Medium | Medium | High |
This article, focusing on the six powder core types, serves as a guide to selecting core sizes and obtaining an estimate of the number of turns of wire in flyback applications.
(1) Molypermalloy powder (MPP) cores consist of 79% nickel, 17% iron and 4% molybdenum. MPP toroids offer the lowest core losses and the widest range of permeabilities (14μ to 550μ).
(2) High Flux powder cores consist of 50% nickel and 50% iron. Although High Flux cores have higher losses than MPP cores, they offer the advantage of sustaining their permeability under higher DC Bias conditions. This usually results in the smallest core size if core losses are not too critical. High Flux cores are available in permeabilities of 14μ through 160μ.
(3) Kool Mu (sendust) powder cores contain 85% iron, 9% silicon and 6% aluminum. Although Kool Mµ cores don’t have core losses quite as low as MPP cores and don’t have the μ vs DC bias characteristics of the High Flux cores, they do offer satisfactory performance in many designs at a much lower cost. Kool Mµ cores substantially outperform iron powder cores (100% iron) as their losses are much lower than iron powder, particularly at higher frequencies.
(4) XFlux powder cores are made from a 6.5% silicon iron powder. XFLUX is an ideal material for low to medium frequency inductors and, like High Flux, it provides maximum inductance at high DC bias conditions. Compared to Kool Mµ, this can also lead to more economical solutions for certain applications as smaller cores can be used at the expense of higher losses. XFLUX is currently available in permeabilities 19µ through 125µ.
(5) Kool Mu MAX powder cores are an excellent choice for low core loss designs while still maintaining excellent DC bias performance. Priced between Kool Mµ and High Flux, Kool Mµ MAX cores prove to be cost efficient for a variety of applications. Kool Mµ MAX toroids are currently available in 14-90µ.
(6) Kool Mµ Hƒ powder cores display ~35% lower losses than standard Kool Mµ for high frequency applications. A great choice for GaN and SiC power supplies, Kool Mµ Hƒ cores are optimized for frequencies 200-500 kHz; however, losses are improved below and above this range. Kool Mµ Hƒ toroids are currently available in 26µ and 60µ in standard toroid sizes up to 134 mm.
(7) Edge powder cores were developed for high current inductors of minimum size and maximum efficiency. Edge, Magnetics' highest DC bias material, provides a dramatic improvement in DC bias performance over High Flux while also cutting AC core losses to less than half of High Flux. Edge toroids are currently available in 14µ-125µ in standard toroid sizes up to 134 mm.
Core Selection
The core can be determined if the peak current (Ipk and primary inductance (Lpri ) are known. The requirements should be analyzed to determine the following:
- Pout = Output power-watts
- Vin(min) = Minimum input voltage—volts
- δmax = Maximum duty cycle = ton / (ton + toff)
- f = Switching frequency - kHz
Using Equation 1, the peak current can be determined:

Once the peak current is determined, the primary inductance can be calculated from:

Using the Lpri and Ipk values, the LI2 core selection procedure described in Magnetics catalog beginning on page 11 can be used to determine core choice. If the smallest possible core size is desired regardless of core loss, High Flux or XFLUX cores should be considered.
Selecting Turns and Wire Size
The LI2 core selection procedure also describes how to determine the primary number of turns using Equation 3:

The number of turns for a secondary winding can be determined if the following are known:
Vout = Output voltage—volts
VD = Diode voltage drop—volts (typically 1 volt)
Equation 4 calculates the number of turns on the secondary:

Although the core must be selected based on Ipk due to core saturation concerns, wire size selection can be based on the average current.
Average current is determined by:

(from Reference No. 1)
By using average current to select the wire size and peak current to select, core size, there should be a sufficient window area for a secondary winding if needed.
Summary
The above procedure allows the designer to determine the approximate core size and number
of turns for a flyback transformer.
Other factors such as continuous or discontinuous mode of operation can influence core selection. To optimize the transformer design, the referenced textbooks can be helpful.
(1) M. Brown, Practical Switching Power Supply Design, Academic Press, San Diego, 1990.
(2) G. Chrysis, High Frequency Switching Power Supplies, McGraw-Hill, New York, 1984.
(3) A. Pressman, Switching Power Supply Design, McGraw-Hill, New York, 1991.
(4) C. McLyman, Magnetic Core Selection for Transformers and Inductors, Marcell Dekker, New York, 1982.
(5) C. McLyman, Transformer and Inductor Design Handbook, Marcell Dekker, New York, 1988.
(6) K. Billings, Switch Mode Power Supply Handbook, McGraw-Hill, New York, 1989.
download "Selecting a Core for Flyback Transformers" pdf file
